Princeton Power Electronics Tool
Coupled magnetics expert calculator
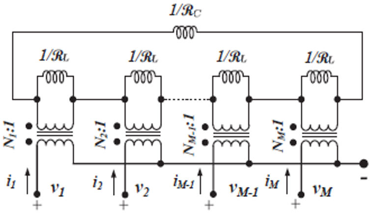
CoupMag Expert evaluates equivalent inductance-dual, inductance-matrix, and multiwinding-transformer parameters for multiphase PWM converter designs.
Operating Point
Interleaving terms are derived from the duty ratio, phase count, and turns per winding.
Design Parameters
Use reluctance in H^-1 and inductance in H. Flux-per-current outputs are reported in Wb/A.
Model Explorer
Static equations remain visible beside the live numerical results for each modeling view.
Model Parameters
| \(\mathcal{R}_L\) | \(\mathcal{R}_L\) | -- |
| \(\mathcal{R}_C\) | \(\mathcal{R}_C\) | -- |
| \(L_l\) | \(L_l = \frac{N^2}{\mathcal{R}_L + M\mathcal{R}_C}\) | -- |
| \(L_\mu\) | \(L_\mu = \frac{N^2(M-1)\mathcal{R}_C}{\mathcal{R}_L(\mathcal{R}_L + M\mathcal{R}_C)}\) | -- |
| \(L_S\) | \(L_S = \frac{N^2(\mathcal{R}_L + (M-1)\mathcal{R}_C)}{\mathcal{R}_L(\mathcal{R}_L + M\mathcal{R}_C)}\) | -- |
| \(L_M\) | \(L_M = \frac{-N^2\mathcal{R}_C}{\mathcal{R}_L(\mathcal{R}_L + M\mathcal{R}_C)}\) | -- |
| \(L_L\) | \(L_L = \frac{1}{\mathcal{R}_L}\) | -- |
| \(L_C\) | \(L_C = \frac{1}{\mathcal{R}_C}\) | -- |
| \(L_L^*\) | \(L_L^* = \frac{N^2(\mathcal{R}_L + (M-1)\mathcal{R}_C)}{\mathcal{R}_L(\mathcal{R}_L + M\mathcal{R}_C)}\) | -- |
| \(L_C^*\) | \(L_C^* = \frac{N^2}{\mathcal{R}_L/M + \mathcal{R}_C}\) | -- |
Converter Quantities
| \(L_{oss}\) | \(\frac{(1-D)DMN^2}{(\mathcal{R}_L + M\mathcal{R}_C)(k + 1 - DM)(DM - k)}\) | -- |
| \(L_{pss}\) | \(\frac{N^2(1-D)}{-\frac{k^2\mathcal{R}_C}{DM}-\frac{k\mathcal{R}_C}{DM}+2k\mathcal{R}_C-DM\mathcal{R}_C+\mathcal{R}_C-D\mathcal{R}_L+\mathcal{R}_L}\) | -- |
| \(L_{otr}\) | \(\frac{N^2}{M(\mathcal{R}_L + M\mathcal{R}_C)}\) | -- |
| \(L_{ptr}\) | \(\frac{N^2}{\mathcal{R}_L + M\mathcal{R}_C}\) | -- |
| \(L_{ptr}/L_{pss}\) | \(\frac{-\frac{k^2\beta}{DM}-\frac{k\beta}{DM}+2k\beta-DM\beta+\beta-D+1}{(1-D)(1+M\beta)}\) | -- |
| \(\Phi_{L,DC}/I_{out}\) | \(\frac{N}{M(\mathcal{R}_L + M\mathcal{R}_C)}\) | -- |
| \(\Phi_{C,DC}/I_{out}\) | \(\frac{N}{\mathcal{R}_L + M\mathcal{R}_C}\) | -- |
Model Parameters
| \(\mathcal{R}_L\) | \(\mathcal{R}_L = \frac{N^2}{L_S - L_M}\) | -- |
| \(\mathcal{R}_C\) | \(\mathcal{R}_C = \frac{-N^2L_M}{(L_S - L_M)(L_S + (M-1)L_M)}\) | -- |
| \(L_l\) | \(L_l = L_S + (M-1)L_M\) | -- |
| \(L_\mu\) | \(L_\mu = -(M-1)L_M\) | -- |
| \(L_S\) | \(L_S\) | -- |
| \(L_M\) | \(L_M\) | -- |
| \(L_L\) | \(L_L = \frac{1}{\mathcal{R}_L}\) | -- |
| \(L_C\) | \(L_C = \frac{1}{\mathcal{R}_C}\) | -- |
| \(L_L^*\) | \(L_L^* = L_S\) | -- |
| \(L_C^*\) | \(L_C^* = M(L_S + (M-1)L_M)\) | -- |
Converter Quantities
| \(L_{oss}\) | \(\frac{(1-D)DM(L_S + (M-1)L_M)}{(DM-k)(1+k-DM)}\) | -- |
| \(L_{pss}\) | \(\frac{(L_S-L_M)(L_S+(M-1)L_M)}{L_S + \left(M-2k-2+\frac{k(k+1)}{MD}+\frac{MD(M-2k-1)+k(k+1)}{M(1-D)}\right)L_M}\) | -- |
| \(L_{otr}\) | \(\frac{L_S + (M-1)L_M}{M}\) | -- |
| \(L_{ptr}\) | \(L_S + (M-1)L_M\) | -- |
| \(L_{ptr}/L_{pss}\) | \(\frac{1-\left(M-2k-2+\frac{k(k+1)}{MD}+\frac{MD(M-2k-1)+k(k+1)}{M(1-D)}\right)\alpha}{1+\alpha}\) | -- |
| \(\Phi_{L,DC}/I_{out}\) | \(\frac{L_S+(M-1)L_M}{MN}\) | -- |
| \(\Phi_{C,DC}/I_{out}\) | \(\frac{L_S+(M-1)L_M}{N}\) | -- |
Model Parameters
| \(\mathcal{R}_L\) | \(\mathcal{R}_L = \frac{N^2(M-1)}{(M-1)L_l + ML_\mu}\) | -- |
| \(\mathcal{R}_C\) | \(\mathcal{R}_C = \frac{N^2L_\mu}{L_l((M-1)L_l + ML_\mu)}\) | -- |
| \(L_l\) | \(L_l\) | -- |
| \(L_\mu\) | \(L_\mu\) | -- |
| \(L_S\) | \(L_S = L_\mu + L_l\) | -- |
| \(L_M\) | \(L_M = -\frac{1}{M-1}L_\mu\) | -- |
| \(L_L\) | \(L_L = \frac{1}{\mathcal{R}_L}\) | -- |
| \(L_C\) | \(L_C = \frac{1}{\mathcal{R}_C}\) | -- |
| \(L_L^*\) | \(L_L^* = L_\mu + L_l\) | -- |
| \(L_C^*\) | \(L_C^* = ML_l\) | -- |
Converter Quantities
| \(L_{oss}\) | \(\frac{(1-D)DML_l}{(DM-k)(1+k-DM)}\) | -- |
| \(L_{pss}\) | \(\frac{DM(1-D)((M-1)L_l + ML_\mu)L_l}{DM(1-D)(M-1)L_l + (DM(1-DM)-k^2-k+2DMk)L_\mu}\) | -- |
| \(L_{otr}\) | \(\frac{L_l}{M}\) | -- |
| \(L_{ptr}\) | \(L_l\) | -- |
| \(L_{ptr}/L_{pss}\) | \(\frac{DM(1-D)(M-1)+(DM(1-DM)-k^2-k+2DMk)\rho}{DM(1-D)(M-1+M\rho)}\) | -- |
| \(\Phi_{L,DC}/I_{out}\) | \(\frac{L_l}{MN}\) | -- |
| \(\Phi_{C,DC}/I_{out}\) | \(\frac{L_l}{N}\) | -- |
Original CoupL v1.0 calculator designed by Seungjae Ryan Lee with Haoran Li, Daniel Zhou, and Minjie Chen.